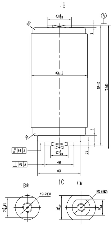
真空開關管 是真空開關的關鍵部位,其結構主要由外殼、靜觸頭、動觸頭、動導電桿、波紋管等幾個部分組成。其中外殼通常呈圓筒形狀,兩端用金屬蓋,板封接組成一個密封容器,常用材料為玻璃、陶瓷或微...
型號:VITD12/630-20
類型:12KV固封極柱用真空開關管
品牌:大禹漢光(Dayu Hanguang)
產地:湖北孝感
廠家:湖北大禹漢光真空電器有限公司
價格:面議/電詢

| 主要技術參數 | ||
| 電壓參數 | ||
| 額定電壓(Ur) | kV | 12 |
| 額定短時(1min)工頻耐受電壓(Ud) | kV | 48 |
| 額定雷電沖擊耐受電壓(峰值)(Up) | kV | 85 |
| 額定頻率(fr) | Hz | 50 |
| 電流參數 | ||
| 額定電流(Ir) | A | 630 |
| 額定觸頭壓力下限時的回路電阻 | μΩ | ≤20 |
| 額定短路開斷電流(lsc) | kA | 20 |
| 額定短路開斷電流開斷次數 | Times | 30 |
| 額定短時耐受電流(lk) | kA | 20 |
| 額定短路持續(xù)時間(tk) | s | 4 |
| 額定峰值耐受電流(Ip) | kA | 50 |
| 額定短路關合電流(lMC) | kA | 50 |
| 額定電纜充電開斷電流(Ic) | A | 25 |
| 額定單個電容器組開斷電流(lsb) | A | 400 |
| 額定背對背電容器組開斷電流(lbb) | A | 400 |
| 機械參數 | ||
| 運動部分質量 | kg | ≤0.6 |
| 觸頭自閉力 | N | 70±40 |
| 額定開距下的觸頭反力 | N | 120±50 |
| 對開關機械特性需求 | ||
| 觸頭開距 | mm | 8.5±1 |
| 平均分閘速度(觸頭閉合位置~75%開距) | m/s | 1.2±0.2 |
| 平均合閘速度(30%開距~觸頭閉合位置) | m/s | 0.6±0.2 |
| 額定觸頭壓力 | N | 1600±160 |
| 觸頭初壓力 | 1120±80 | |
| 觸頭合閘彈跳時間 | ms | ≤2 |
| 觸頭合閘和分閘不同期 | ms | ≤1 |
| 分閘觸頭反彈幅值 | mm | ≤2 |
| 壽命 | ||
| 儲存期 | years | 20 |
| 機械壽命 | Times | 10000 |
| 觸頭允許磨損厚度 | mm | 3 |
7×24小時服務熱線 15971259985